
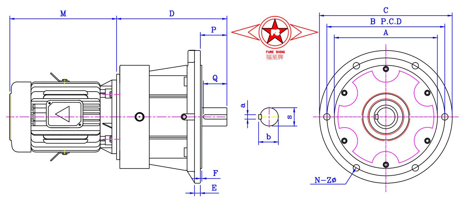
尺寸表 Dimension (m/m)
|
减速比 RATIO |
马力HP |
型号 YS-V |
A | B | C | D | E | F | N | Z | M | 轴端SHAFT END | |||||
| 4P | 6P | s | a | b | p |
Q |
|||||||||||
| 1/4
1/20 |
¼ |
25 | 170 | 190 | 210 | 176 | 13 | 4 | 6 | 11 | 215 | 25 | 7 | 4 | 50 | 45 | |
|
½ |
¼ |
25 | 170 | 190 | 210 | 176 | 13 | 4 | 6 | 11 | 236 | 25 | 7 | 4 | 50 | 45 | |
|
1 |
½ |
30 | 200 | 225 | 250 | 220 | 15 | 4 | 6 | 14 | 232 | 30 | 7 | 4 | 60 | 55 | |
|
2 |
1 |
35 | 200 | 225 | 250 | 220 | 15 | 4 | 6 | 14 | 311 | 35 | 10 | 4.5 | 65 | 60 | |
|
3 |
2 |
40 | 230 | 255 | 280 | 252 | 16 | 4 | 6 | 14 | 303 | 40 | 10 | 4.5 | 70 | 65 | |
| 5 |
3 |
45 | 230 | 225 | 280 | 252 | 16 | 4 | 6 | 14 | 362 | 45 | 12 | 4.5 | 75 | 70 | |
| 7½ | 5 | 50 | 290 | 320 | 350 | 290 | 18 | 5 | 6 | 14 | 366 | 50 | 12 | 4.5 | 85 | 80 | |
| 10 | 7½ | 55 | 340 | 375 | 410 | 322 | 20 | 5 | 6 | 18 | 404 | 55 | 15 | 5.5 | 95 | 90 | |
| 15 | 10 | 65 | 380 | 420 | 460 | 350 | 22 | 5 | 6 | 18 | 494 | 65 | 18 | 6.5 | 105 | 100 | |
| 20 | 15 | 75 | 430 | 470 | 510 | 379 | 24 | 5 | 6 | 21 | 538 | 75 | 20 | 7 | 120 | 115 | |
| 30 | 20 | 90 | 480 | 520 | 560 | 442 | 24 | 5 | 6 | 21 | 557 | 90 | 24 | 8 | 145 | 140 | |
| 40 | 30 | 100 | 530 | 580 | 630 | 503 | 26 | 5 | 6 | 24 | 595 | 100 | 28 | 10 | 170 | 165 | |
|
减速比 RATIO |
马力HP |
型号 YS-V |
A | B | C | D | E | F | N | Z | M | 轴端SHAFT END | |||||
| 4P | 6P | s | a | b | p |
Q |
|||||||||||
| 1/21
1/30 |
¼ |
25 | 170 | 190 | 210 | 176 | 13 | 4 | 6 | 11 | 215 | 25 | 7 | 4 | 50 | 45 | |
|
½ |
¼ |
25 | 170 | 190 | 210 | 176 | 13 | 4 | 6 | 11 | 236 | 25 | 7 | 4 | 50 | 45 | |
|
1 |
½ |
35 | 200 | 225 | 250 | 220 | 15 | 4 | 6 | 14 | 311 | 35 | 10 | 4.5 | 65 | 60 | |
|
2 |
1 |
40 | 230 | 255 | 280 | 252 | 16 | 4 | 6 | 14 | 303 | 40 | 10 | 4.5 | 70 | 65 | |
|
3 |
2 |
45 | 230 | 225 | 280 | 252 | 16 | 4 | 6 | 14 | 362 | 45 | 12 | 4.5 | 75 | 70 | |
| 5 |
3 |
50 | 290 | 320 | 350 | 290 | 18 | 5 | 6 | 14 | 366 | 50 | 12 | 4.5 | 85 | 80 | |
| 7½ | 5 | 55 | 340 | 375 | 410 | 322 | 20 | 5 | 6 | 18 | 404 | 55 | 15 | 5.5 | 95 | 90 | |
| 10 | 7½ | 65 | 380 | 420 | 460 | 350 | 22 | 5 | 6 | 18 | 494 | 65 | 18 | 6.5 | 105 | 100 | |
| 15 | 10 | 75 | 430 | 470 | 510 | 379 | 24 | 5 | 6 | 21 | 538 | 75 | 20 | 7 | 120 | 115 | |
| 20 | 15 | 90 | 480 | 520 | 560 | 442 | 24 | 5 | 6 | 21 | 557 | 90 | 24 | 8 | 145 | 140 | |
| 30 | 20 | 100 | 530 | 580 | 630 | 503 | 26 | 5 | 6 | 24 | 595 | 100 | 28 | 10 | 170 | 165 | |
|
减速比 RATIO |
马力HP |
型号 YS-V |
A | B | C | D | E | F | N | Z | M | 轴端SHAFT END | |||||
| 4P | 6P | s | a | b | p |
Q |
|||||||||||
| 1/31
1/60 |
¼ |
25 | 170 | 190 | 210 | 176 | 13 | 4 | 6 | 11 | 215 | 25 | 7 | 4 | 50 | 45 | |
|
½ |
¼ |
25 | 170 | 190 | 210 | 176 | 13 | 4 | 6 | 11 | 236 | 25 | 7 | 4 | 50 | 45 | |
|
1 |
½ |
35 | 200 | 225 | 250 | 220 | 15 | 4 | 6 | 14 | 311 | 35 | 10 | 4.5 | 65 | 60 | |
|
2 |
1 |
40 | 230 | 255 | 280 | 252 | 16 | 4 | 6 | 14 | 303 | 40 | 10 | 4.5 | 70 | 65 | |
|
3 |
2 |
45 | 230 | 225 | 280 | 252 | 16 | 4 | 6 | 14 | 362 | 45 | 12 | 4.5 | 75 | 70 | |
| 5 |
3 |
50 | 290 | 320 | 350 | 290 | 18 | 5 | 6 | 14 | 366 | 50 | 12 | 4.5 | 85 | 80 | |
| 7½ | 5 | 55 | 340 | 375 | 410 | 322 | 20 | 5 | 6 | 18 | 404 | 55 | 15 | 5.5 | 95 | 90 | |
| 10 | 7½ | 65 | 380 | 420 | 460 | 350 | 22 | 5 | 6 | 18 | 494 | 65 | 18 | 6.5 | 105 | 100 | |
| 15 | 10 | 75 | 430 | 470 | 510 | 379 | 24 | 5 | 6 | 21 | 538 | 75 | 20 | 7 | 120 | 115 | |
| 20 | 15 | 90 | 480 | 520 | 560 | 442 | 24 | 5 | 6 | 21 | 557 | 90 | 24 | 8 | 145 | 140 | |
| 30 | 20 | 100 | 530 | 580 | 630 | 503 | 26 | 5 | 6 | 24 | 595 | 100 | 28 | 10 | 170 | 165 | |
|
减速比 RATIO |
马力HP |
型号 YS-V |
A | B | C | D | E | F | N | Z | M | 轴端SHAFT END | |||||
| 4P | 6P | s | a | b | p |
Q |
|||||||||||
| 1/61
1/90 |
¼ |
30 | 200 | 225 | 250 | 263 | 15 | 4 | 6 | 14 | 215 | 35 | 10 | 4.5 | 65 | 55 | |
|
½ |
¼ |
30 | 200 | 225 | 250 | 263 | 15 | 4 | 6 | 14 | 236 | 35 | 10 | 4.5 | 65 | 55 | |
|
1 |
½ |
40 | 230 | 255 | 280 | 274 | 16 | 4 | 6 | 14 | 232 | 40 | 10 | 4.5 | 70 | 65 | |
|
2 |
1 |
45 | 260 | 290 | 320 | 317 | 17 | 4 | 6 | 14 | 311 | 45 | 12 | 4.5 | 75 | 70 | |
|
3 |
2 |
50 | 290 | 320 | 350 | 334 | 18 | 5 | 6 | 14 | 303 | 50 | 12 | 4.5 | 85 | 80 | |
| 5 |
3 |
55 | 340 | 375 | 410 | 375 | 20 | 5 | 6 | 18 | 362 | 55 | 15 | 5.5 | 95 | 90 | |
| 7½ | 5 | 65 | 380 | 420 | 460 | 385 | 22 | 5 | 6 | 18 | 366 | 65 | 18 | 6.5 | 105 | 100 | |
| 10 | 7½ | 75 | 430 | 470 | 510 | 445 | 24 | 5 | 6 | 21 | 404 | 75 | 20 | 7 | 120 | 115 | |
| 15 | 10 | 90 | 480 | 520 | 560 | 500 | 24 | 5 | 6 | 21 | 494 | 90 | 24 | 8 | 145 | 140 | |
| 20 | 15 | 100 | 530 | 580 | 630 | 560 | 26 | 5 | 6 | 24 | 538 | 100 | 28 | 10 | 170 | 165 | |
|
减速比 RATIO |
马力HP |
型号 YS-V |
A | B | C | D | E | F | N | Z | M | 轴端SHAFT END | |||||
| 4P | 6P | s | a | b | p |
Q |
|||||||||||
| 1/91
1/120 |
¼ |
30 | 200 | 225 | 250 | 263 | 15 | 4 | 6 | 14 | 215 | 35 | 10 | 4.5 | 65 | 55 | |
|
½ |
¼ |
35 | 200 | 225 | 250 | 268 | 15 | 4 | 6 | 14 | 236 | 35 | 10 | 4.5 | 65 | 60 | |
|
1 |
½ |
45 | 260 | 290 | 320 | 317 | 17 | 4 | 6 | 14 | 232 | 45 | 12 | 4.5 | 75 | 70 | |
|
2 |
1 |
50 | 290 | 320 | 350 | 344 | 18 | 5 | 6 | 14 | 311 | 50 | 12 | 4.5 | 85 | 80 | |
|
3 |
2 |
55 | 340 | 375 | 410 | 375 | 20 | 5 | 6 | 18 | 303 | 55 | 15 | 5.5 | 95 | 90 | |
| 5 |
3 |
65 | 380 | 420 | 460 | 400 | 22 | 5 | 6 | 18 | 362 | 65 | 18 | 6.5 | 105 | 100 | |
| 7½ | 5 | 75 | 430 | 470 | 510 | 445 | 24 | 5 | 6 | 21 | 366 | 75 | 20 | 7 | 120 | 115 | |
| 10 | 7½ | 90 | 480 | 520 | 560 | 500 | 24 | 5 | 6 | 21 | 404 | 90 | 24 | 8 | 145 | 140 | |
| 15 | 10 | 100 | 530 | 580 | 630 | 560 | 26 | 5 | 6 | 24 | 494 | 100 | 28 | 10 | 170 | 165 | |