
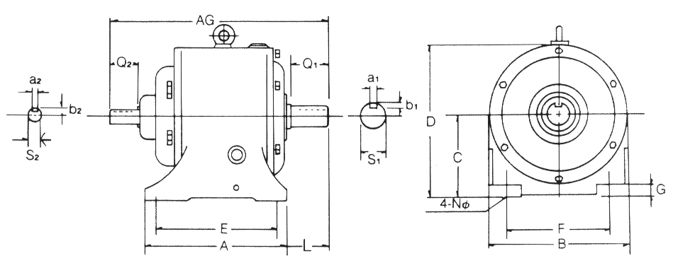
尺寸表 Dimension (m/m)
|
减速比 RATIO |
马力HP |
型号 YS-H |
A | AG | B | C | D | L | E | G | F | N |
出力轴 Output Shaft End |
入力轴 Output Shaft End |
|||||||
| 4P | 6P | Q1 | a1 | b1 | s1 | Q2 | a2 | b2 | s2 | ||||||||||||
| 1/4
1/20 |
¼ |
25 | 200 | 264 | 200 | 110 | 200 | 45 | 170 | 18 | 150 | 11 | 45 | 7 | 4 | 25 | 30 | 5 | 3 | 14 | |
|
½ |
¼ |
25 | 200 | 264 | 200 | 110 | 200 | 45 | 170 | 18 | 150 | 11 | 45 | 7 | 4 | 25 | 30 | 5 | 3 | 14 | |
|
1 |
½ |
30 | 240 | 336 | 230 | 120 | 228 | 49 | 200 | 19 | 170 | 14 | 55 | 7 | 4 | 30 | 40 | 5 | 3 | 19 | |
|
2 |
1 |
35 | 240 | 341 | 230 | 120 | 228 | 54 | 200 | 19 | 170 | 14 | 60 | 10 | 4.5 | 35 | 40 | 5 | 3 | 19 | |
|
3 |
2 |
40 | 265 | 375 | 260 | 135 | 260 | 60 | 230 | 22 | 190 | 14 | 65 | 10 | 4.5 | 40 | 50 | 7 | 4.5 | 24 | |
| 5 |
3 |
45 | 280 | 398 | 290 | 155 | 300 | 67 | 240 | 24 | 220 | 14 | 70 | 12 | 4.5 | 45 | 50 | 7 | 4.5 | 24 | |
| 7½ | 5 | 50 | 320 | 426 | 320 | 175 | 330 | 69 | 280 | 27 | 250 | 14 | 80 | 12 | 4.5 | 50 | 60 | 7 | 4.5 | 28 | |
| 10 | 7½ | 55 | 350 | 465 | 360 | 205 | 375 | 70 | 300 | 30 | 280 | 18 | 90 | 15 | 5.5 | 55 | 60 | 10 | 4.5 | 32 | |
| 15 | 10 | 65 | 390 | 500 | 420 | 240 | 430 | 81 | 340 | 32 | 330 | 18 | 100 | 18 | 6.5 | 65 | 60 | 10 | 4.5 | 32 | |
| 20 | 15 | 75 | 440 | 563 | 470 | 270 | 480 | 90 | 380 | 35 | 370 | 21 | 115 | 20 | 7 | 75 | 80 | 12 | 4.5 | 42 | |
| 30 | 20 | 90 | 490 | 626 | 530 | 290 | 530 | 98 | 430 | 38 | 420 | 21 | 140 | 24 | 8 | 90 | 80 | 12 | 4.5 | 42 | |
| 40 | 30 | 100 | 540 | 709 | 590 | 340 | 600 | 127 | 470 | 40 | 480 | 24 | 165 | 28 | 10 | 100 | 100 | 12 | 4.5 | 48 | |
|
减速比 RATIO |
马力HP |
型号 YS-H |
A | AG | B | C | D | L | E | G | F | N |
出力轴 Output Shaft End |
入力轴 Output Shaft End |
|||||||
| 4P | 6P | Q1 | a1 | b1 | s1 | Q2 | a2 | b2 | s2 | ||||||||||||
| 1/21
1/30 |
¼ |
25 | 200 | 264 | 200 | 110 | 200 | 45 | 170 | 18 | 150 | 11 | 45 | 7 | 4 | 25 | 30 | 5 | 3 | 14 | |
|
½ |
¼ |
25 | 200 | 264 | 200 | 110 | 200 | 45 | 170 | 18 | 150 | 11 | 45 | 7 | 4 | 25 | 30 | 5 | 3 | 14 | |
|
1 |
½ |
35 | 240 | 341 | 230 | 120 | 228 | 54 | 200 | 19 | 170 | 14 | 60 | 10 | 4.5 | 35 | 40 | 5 | 3 | 19 | |
|
2 |
1 |
40 | 265 | 375 | 260 | 135 | 260 | 60 | 230 | 22 | 190 | 14 | 65 | 10 | 4.5 | 40 | 50 | 7 | 4.5 | 24 | |
|
3 |
2 |
45 | 280 | 398 | 290 | 155 | 300 | 67 | 240 | 24 | 220 | 14 | 70 | 12 | 4.5 | 45 | 50 | 7 | 4.5 | 24 | |
| 5 |
3 |
50 | 320 | 426 | 320 | 175 | 330 | 69 | 280 | 27 | 250 | 14 | 80 | 12 | 4.5 | 50 | 60 | 7 | 4.5 | 28 | |
| 7½ | 5 | 55 | 350 | 465 | 360 | 205 | 375 | 70 | 300 | 30 | 280 | 18 | 90 | 15 | 5.5 | 55 | 60 | 10 | 4.5 | 32 | |
| 10 | 7½ | 65 | 390 | 500 | 420 | 240 | 430 | 81 | 340 | 32 | 330 | 18 | 100 | 18 | 6.5 | 65 | 60 | 10 | 4.5 | 32 | |
| 15 | 10 | 75 | 440 | 563 | 470 | 270 | 480 | 90 | 380 | 35 | 370 | 21 | 115 | 20 | 7 | 75 | 80 | 12 | 4.5 | 42 | |
| 20 | 15 | 90 | 490 | 626 | 530 | 290 | 530 | 98 | 430 | 38 | 420 | 21 | 140 | 24 | 8 | 90 | 80 | 12 | 4.5 | 42 | |
| 30 | 20 | 100 | 540 | 709 | 590 | 340 | 600 | 127 | 470 | 40 | 480 | 24 | 165 | 28 | 10 | 100 | 100 | 12 | 4.5 | 48 | |
|
减速比 RATIO |
马力HP |
型号 YS-H |
A | AG | B | C | D | L | E | G | F | N |
出力轴 Output Shaft End |
入力轴 Output Shaft End |
|||||||
| 4P | 6P | Q1 | a1 | b1 | s1 | Q2 | a2 | b2 | s2 | ||||||||||||
| 1/31
1/60 |
¼ |
25 | 200 | 291 | 200 | 110 | 200 | 45 | 170 | 18 | 150 | 11 | 45 | 7 | 4 | 25 | 30 | 5 | 3 | 14 | |
|
½ |
¼ |
25 | 200 | 291 | 200 | 110 | 200 | 45 | 170 | 18 | 150 | 11 | 45 | 7 | 4 | 25 | 30 | 5 | 3 | 14 | |
|
1 |
½ |
35 | 240 | 373 | 230 | 120 | 228 | 49 | 200 | 19 | 170 | 14 | 60 | 10 | 4.5 | 35 | 40 | 5 | 3 | 19 | |
|
2 |
1 |
40 | 265 | 397 | 260 | 135 | 260 | 60 | 230 | 22 | 190 | 14 | 65 | 10 | 4.5 | 40 | 50 | 7 | 4.5 | 24 | |
|
3 |
2 |
45 | 280 | 431 | 290 | 155 | 300 | 67 | 240 | 24 | 220 | 14 | 70 | 12 | 4.5 | 45 | 50 | 7 | 4.5 | 24 | |
| 5 |
3 |
50 | 320 | 472 | 320 | 175 | 330 | 69 | 280 | 27 | 250 | 14 | 80 | 12 | 4.5 | 50 | 60 | 7 | 4.5 | 28 | |
| 7½ | 5 | 55 | 350 | 502 | 360 | 205 | 375 | 70 | 300 | 30 | 280 | 18 | 90 | 15 | 5.5 | 55 | 60 | 10 | 4.5 | 32 | |
| 10 | 7½ | 65 | 390 | 548 | 420 | 240 | 430 | 81 | 340 | 32 | 330 | 18 | 100 | 18 | 6.5 | 65 | 60 | 10 | 4.5 | 32 | |
| 15 | 10 | 75 | 440 | 626 | 470 | 270 | 480 | 90 | 380 | 35 | 370 | 21 | 115 | 20 | 7 | 75 | 80 | 12 | 4.5 | 42 | |
| 20 | 15 | 90 | 490 | 666 | 530 | 290 | 530 | 98 | 430 | 38 | 420 | 21 | 140 | 24 | 8 | 90 | 80 | 12 | 4.5 | 42 | |
| 30 | 20 | 100 | 540 | 745 | 590 | 340 | 600 | 127 | 470 | 40 | 480 | 24 | 165 | 28 | 10 | 100 | 100 | 12 | 4.5 | 48 | |
|
减速比 RATIO |
马力HP |
型号 YS-H |
A | AG | B | C | D | L | E | G | F | N |
出力轴 Output Shaft End |
入力轴 Output Shaft End |
|||||||
| 4P | 6P | Q1 | a1 | b1 | s1 | Q2 | a2 | b2 | s2 | ||||||||||||
| 1/61
1/90 |
¼ |
30 | 240 | 368 | 230 | 120 | 228 | 55 | 200 | 19 | 170 | 14 | 55 | 7 | 4 | 30 | 40 | 5 | 3 | 19 | |
|
½ |
¼ |
30 | 240 | 368 | 230 | 120 | 228 | 55 | 200 | 19 | 170 | 14 | 55 | 7 | 4 | 30 | 40 | 5 | 3 | 19 | |
|
1 |
½ |
40 | 265 | 397 | 260 | 135 | 260 | 60 | 230 | 22 | 190 | 14 | 65 | 10 | 4.5 | 40 | 50 | 7 | 4 | 24 | |
|
2 |
1 |
45 | 280 | 431 | 290 | 155 | 290 | 67 | 240 | 24 | 220 | 14 | 70 | 12 | 4.5 | 45 | 50 | 7 | 4 | 24 | |
|
3 |
2 |
50 | 320 | 472 | 320 | 175 | 320 | 69 | 280 | 27 | 250 | 14 | 80 | 12 | 4.5 | 50 | 60 | 7 | 4 | 28 | |
| 5 |
3 |
55 | 350 | 502 | 360 | 205 | 360 | 70 | 300 | 30 | 280 | 18 | 90 | 15 | 5.5 | 55 | 60 | 10 | 4.5 | 32 | |
| 7½ | 5 | 65 | 390 | 548 | 420 | 240 | 420 | 81 | 340 | 32 | 330 | 18 | 100 | 18 | 6.5 | 65 | 60 | 10 | 4.5 | 32 | |
| 10 | 7½ | 75 | 440 | 626 | 470 | 270 | 270 | 90 | 380 | 35 | 370 | 21 | 115 | 20 | 7 | 75 | 80 | 12 | 4.5 | 42 | |
| 15 | 10 | 90 | 490 | 666 | 530 | 300 | 530 | 98 | 430 | 38 | 420 | 21 | 140 | 24 | 8 | 90 | 80 | 12 | 4.5 | 42 | |
| 20 | 15 | 100 | 540 | 745 | 590 | 340 | 590 | 127 | 470 | 40 | 480 | 24 | 165 | 28 | 10 | 100 | 100 | 14 | 4.5 | 48 | |
|
减速比 RATIO |
马力HP |
型号 YS-H |
A | AG | B | C | D | L | E | G | F | N |
出力轴 Output Shaft End |
入力轴 Output Shaft End |
|||||||
| 4P | 6P | Q1 | a1 | b1 | s1 | Q2 | a2 | b2 | s2 | ||||||||||||
| 1/91
1/120 |
¼ |
30 | 240 | 368 | 230 | 120 | 228 | 55 | 200 | 19 | 170 | 14 | 55 | 7 | 4 | 30 | 40 | 5 | 3 | 19 | |
|
½ |
¼ |
35 | 240 | 373 | 230 | 120 | 228 | 60 | 200 | 19 | 170 | 14 | 60 | 10 | 4.5 | 35 | 40 | 5 | 3 | 19 | |
|
1 |
½ |
45 | 280 | 431 | 290 | 155 | 290 | 67 | 240 | 24 | 220 | 14 | 70 | 12 | 4.5 | 45 | 50 | 7 | 4 | 24 | |
|
2 |
1 |
50 | 320 | 472 | 320 | 175 | 320 | 69 | 280 | 27 | 250 | 14 | 80 | 12 | 4.5 | 50 | 60 | 7 | 4 | 28 | |
|
3 |
2 |
55 | 350 | 502 | 360 | 205 | 360 | 70 | 300 | 30 | 280 | 18 | 90 | 15 | 5.5 | 55 | 60 | 10 | 4.5 | 32 | |
| 5 |
3 |
65 | 390 | 548 | 420 | 240 | 420 | 81 | 340 | 32 | 330 | 18 | 100 | 18 | 6.5 | 65 | 60 | 10 | 4.5 | 32 | |
| 7½ | 5 | 75 | 440 | 626 | 470 | 270 | 270 | 90 | 380 | 35 | 370 | 21 | 115 | 20 | 7 | 75 | 80 | 12 | 4.5 | 42 | |
| 10 | 7½ | 90 | 490 | 666 | 530 | 300 | 530 | 98 | 430 | 38 | 420 | 21 | 140 | 24 | 8 | 90 | 80 | 12 | 4.5 | 42 | |
| 15 | 10 | 100 | 540 | 745 | 590 | 340 | 590 | 127 | 470 | 40 | 480 | 24 | 165 | 28 | 10 | 100 | 100 | 14 | 4.5 | 48 | |