|
马力
|
减速比
|
本体
|
型番
|
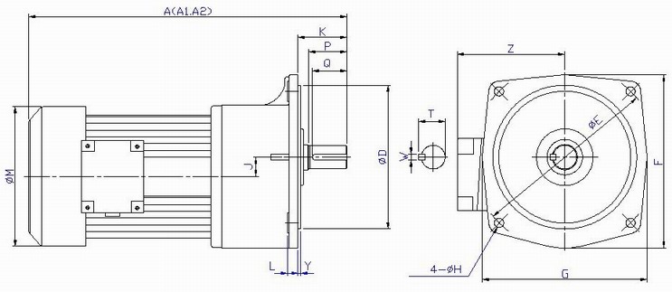
A
|
A1
|
A2
|
D
|
E
|
F
|
G
|
H
|
J
|
K
|
L
|
M
|
Y
|
Z
|
出力轴 |
键槽 |
键 |
| Sh6 |
P
|
W
|
T
|
Q
|
SPEC' |
|
100W
1/8HP
|
3-50
|
1#
|
*18
|
248
|
248
|
248
|
50 |
140 |
120 |
120 |
9
|
16
|
38 |
12 |
133 |
6 |
120
|
∮18 |
30 |
5 |
20.2 |
27 |
5*5*27 |
|
60-200
|
2#
|
22
|
278
|
278
|
278
|
148 |
185 |
175 |
165 |
11
|
17.7
|
48 |
12 |
133 |
3 |
120
|
∮22 |
40 |
7 |
25 |
35 |
7*7*35 |
|
200W
1/4HP
|
3-10
|
1#
|
*18
|
283
|
283
|
283 |
50 |
140 |
120 |
120 |
9
|
16
|
38 |
12 |
133
|
6 |
120
|
∮18 |
30 |
5 |
20.2 |
27 |
5*5*27 |
|
15-90
|
2#
|
22
|
315
|
315
|
315
|
148 |
185 |
175 |
165 |
11
|
23.1 |
58 |
13 |
133
|
3 |
120
|
∮22 |
40 |
7 |
25 |
35 |
7*7*35 |
|
100-200
|
3#
|
28
|
350
|
350
|
350
|
170 |
220 |
205 |
195 |
11
|
23.1
|
58 |
13 |
133 |
3 |
120
|
∮28 |
45 |
7 |
31.1 |
40 |
7*7*40 |
|
400W
1/2HP
|
3-10
|
2#
|
22
|
330
|
330
|
330
|
148 |
185 |
175 |
165 |
11
|
17.7
|
48 |
12 |
167 |
3 |
135
|
∮22 |
40 |
7 |
25 |
35 |
7*7*35 |
|
15-90
|
3#
|
28
|
360
|
360
|
360
|
170 |
220 |
205 |
195 |
11 |
23.1
|
58 |
13 |
167
|
3 |
135
|
∮28 |
45 |
7 |
31.1 |
40 |
7*7*40 |
|
100-200
|
4#
|
32
|
395
|
395
|
395
|
185 |
225 |
248 |
225 |
13
|
30.2
|
65 |
16 |
167 |
3 |
135
|
∮32 |
55 |
10 |
35.5 |
50 |
10*8*50 |
|
750W
1HP
|
3-25
|
3#
|
28
|
380
|
380
|
380
|
170 |
220 |
205 |
195 |
11
|
23.1
|
58 |
13 |
167
|
3 |
135
|
∮28 |
45 |
7 |
31.1 |
40 |
7*7*40 |
|
30-120
|
4#
|
32
|
410
|
410
|
410
|
185 |
225 |
248 |
225 |
13
|
30.2
|
65 |
16 |
167
|
3 |
135
|
∮32 |
55 |
10 |
35.5 |
50 |
10*8*50 |
|
125-200
|
5#
|
40
|
465
|
465
|
465
|
230 |
310 |
290 |
268 |
15
|
36
|
85 |
21 |
167
|
5 |
135
|
∮40 |
65 |
10 |
43.5 |
60 |
10*8*60 |
|
1500W
2HP
|
3-30
|
4#
|
32
|
450
|
450
|
450
|
185 |
255 |
248 |
225 |
13 |
30.2
|
65 |
16 |
192
|
3 |
146
|
∮32 |
55 |
10 |
35.5 |
50 |
10*8*50 |
|
40-100
|
5#
|
40
|
500
|
500
|
500
|
230 |
310 |
290 |
268 |
15
|
36
|
85 |
21 |
192
|
5 |
146
|
∮40 |
65 |
10 |
43.5 |
60 |
10*8*60 |
|
110-180
|
6#
|
50
|
560
|
560
|
560 |
280 |
390 |
360 |
335 |
18
|
51
|
92 |
25 |
192
|
5 |
146
|
∮50 |
80 |
14 |
54 |
75 |
14*9*75 |
|
2200W
3HP
|
3-40
|
5#
|
40
|
520 |
520 |
520 |
230 |
310 |
290 |
268 |
15
|
36
|
85 |
21 |
220
|
5 |
160
|
∮40 |
65 |
10 |
43.5 |
60 |
10*8*60 |
|
45-100
|
6#
|
50
|
580
|
580
|
580
|
280 |
390 |
360 |
335 |
18
|
51
|
92 |
25 |
220 |
5 |
160
|
∮50 |
80 |
14 |
54 |
75 |
14*9*75 |
|
3700W
5HP
|
3-10
|
5#
|
40
|
520 |
520 |
520 |
230 |
310 |
290 |
268 |
15
|
36
|
85 |
21 |
220
|
5 |
160
|
∮40 |
65 |
10 |
43.5 |
60 |
10*8*60 |
|
15-60
|
6#
|
50
|
580
|
580
|
580
|
280 |
390 |
360 |
335 |
18
|
51 |
92 |
25 |
220 |
5 |
160
|
∮50 |
80 |
14 |
54 |
75 |
14*9*75 |
|