
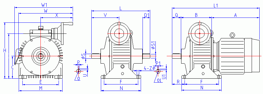
|
(Dimansions : mm) |
||||||||||||||||||||||||||||||||
|
Type |
HP |
A |
B |
C |
D |
E |
F |
G |
H |
I |
J |
K |
L |
L1 |
M |
N |
O |
O1 |
P |
P1 |
Q |
Q1 |
R |
Sh7 |
Sh6 |
U |
U1 |
V |
W |
W1 |
X |
Z |
|
D |
¼ |
215 |
100 |
71 |
137 |
110 |
105 |
12 |
188 |
148 |
25 |
25 |
195 |
345 |
140 |
125 |
M5 |
M5 |
5 |
5 |
30 |
25 |
48 |
14 |
14 |
5 |
5 |
99 |
191 |
236 |
121 |
9 |
|
D |
½ |
235 |
115 |
60 |
150 |
120 |
105 |
15 |
218 |
177 |
32 |
30 |
221 |
280 |
160 |
135 |
M5 |
M5 |
5 |
5 |
30 |
25 |
60 |
14 |
14 |
5 |
5 |
110 |
229 |
280 |
149 |
10 |
|
D |
1 |
226 |
137 |
106 |
170 |
160 |
125 |
15 |
249 |
208 |
40 |
40 |
243 |
443 |
190 |
150 |
M6 |
M6 |
5 |
5 |
40 |
30 |
75 |
20 |
19 |
5 |
5 |
129 |
266 |
307 |
166 |
12 |
|
D |
2 |
311 |
173 |
125 |
196 |
180 |
140 |
18 |
313 |
246 |
50 |
45 |
314 |
534 |
230 |
165 |
M6 |
M6 |
7 |
7 |
50 |
40 |
100 |
25 |
24 |
7 |
7 |
157 |
310 |
341 |
190 |
12 |
|
D |
3 |
343 |
208 |
150 |
196 |
245 |
230 |
20 |
378 |
298 |
55 |
50 |
387 |
611 |
300 |
270 |
M8 |
M8 |
7 |
7 |
60 |
50 |
85 |
30 |
24 |
7 |
7 |
187 |
370 |
378 |
220 |
14 |
|
D |
5 |
358 |
208 |
150 |
226 |
245 |
230 |
20 |
378 |
298 |
55 |
50 |
397 |
626 |
300 |
270 |
M8 |
M8 |
7 |
7 |
60 |
50 |
85 |
30 |
28 |
7 |
7 |
187 |
370 |
391 |
220 |
14 |
|
D |
7½ |
405 |
249 |
200 |
284 |
315 |
250 |
30 |
475 |
380 |
70 |
80 |
467 |
815 |
365 |
290 |
M10 |
M10 |
10 |
10 |
70 |
60 |
103 |
35 |
32 |
8 |
8 |
211 |
435 |
461 |
250 |
18 |
|
D |
10 |
445 |
249 |
300 |
284 |
315 |
250 |
30 |
475 |
380 |
70 |
80 |
467 |
853 |
365 |
290 |
M10 |
M10 |
10 |
10 |
70 |
60 |
103 |
35 |
32 |
8 |
8 |
211 |
435 |
461 |
250 |
18 |
|
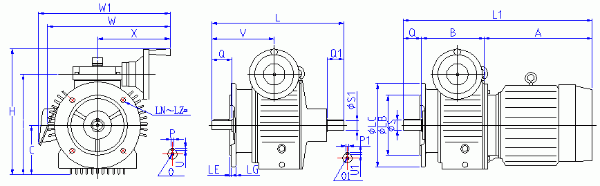
(Dimansions : mm) |
|||||||||||||||||||||||||||||
|
Type |
HP |
B |
C |
D |
H |
I |
L |
L1 |
LA |
LB |
LC |
LE |
LG |
LN |
LZ |
O |
O1 |
P |
P1 |
Q |
Q1 |
Sh7 |
Sh6 |
U |
U1 |
V |
W |
W1 |
X |
|
D |
¼ |
100 |
66 |
137 |
182 |
142 |
195 |
343 |
130 |
110 |
160 |
3.5 |
10 |
4 |
10 |
M5 |
M5 |
5 |
5 |
30 |
25 |
14 |
14 |
5 |
5 |
99 |
201 |
236 |
121 |
|
D |
½ |
115 |
87 |
150 |
215 |
174 |
221 |
380 |
165 |
110 |
160 |
3.5 |
10 |
4 |
10 |
M5 |
M5 |
5 |
5 |
30 |
30 |
14 |
14 |
5 |
5 |
110 |
249 |
280 |
149 |
|
D |
1 |
137 |
103 |
170 |
246 |
205 |
243 |
443 |
165 |
130 |
200 |
3.5 |
12 |
4 |
12 |
M6 |
M6 |
6 |
5 |
40 |
30 |
19 |
19 |
5 |
5 |
129 |
266 |
307 |
166 |
|
D |
2 |
173 |
125 |
196 |
308 |
241 |
314 |
534 |
215 |
130 |
200 |
4 |
12 |
4 |
12 |
M6 |
M6 |
8 |
7 |
50 |
40 |
25 |
24 |
7 |
7 |
157 |
315 |
341 |
190 |
|
D |
3 |
208 |
147 |
196 |
378 |
295 |
387 |
611 |
265 |
180 |
250 |
4 |
16 |
4 |
15 |
M8 |
M8 |
8 |
7 |
60 |
50 |
28 |
24 |
7 |
7 |
187 |
370 |
378 |
220 |
|
D |
5 |
208 |
147 |
226 |
378 |
295 |
397 |
626 |
265 |
180 |
250 |
4 |
16 |
4 |
15 |
M8 |
M8 |
8 |
7 |
60 |
50 |
28 |
28 |
7 |
7 |
187 |
370 |
391 |
220 |
|
D |
7½ |
249 |
184 |
284 |
495 |
373 |
467 |
815 |
300 |
230 |
300 |
5 |
20 |
6 |
18 |
M10 |
M10 |
10 |
10 |
70 |
60 |
38 |
32 |
8 |
8 |
211 |
435 |
461 |
250 |
|
D |
10 |
249 |
184 |
284 |
495 |
373 |
467 |
853 |
300 |
230 |
300 |
5 |
20 |
6 |
18 |
M10 |
M10 |
10 |
10 |
70 |
60 |
38 |
32 |
8 |
8 |
211 |
435 |
461 |
250 |
R2.5 / R5

|
(Dimansions : mm) |
||||||||||||||||||||||||||||||
|
Type |
HP |
C |
C1 |
E |
F |
G |
H |
I |
J |
K |
K1 |
L |
L1 |
M |
N |
O1 |
P |
P1 |
Q |
Q1 |
R |
Sh7 |
Sh6 |
U |
U1 |
V |
W |
W1 |
X |
Z |
|
D |
¼ |
116 |
71 |
110 |
105 |
12 |
188 |
148 |
25 |
25 |
25 |
234 |
384 |
140 |
125 |
M5 |
5 |
5 |
30 |
25 |
87 |
20 |
14 |
5 |
5 |
138 |
191 |
236 |
121 |
9 |
|
D |
½ |
136 |
90 |
120 |
105 |
15 |
218 |
177 |
32 |
30 |
30 |
247 |
405 |
160 |
135 |
M5 |
5 |
5 |
30 |
25 |
84 |
20 |
14 |
5 |
5 |
134 |
229 |
280 |
149 |
10 |
|
D |
1 |
160 |
106 |
160 |
125 |
15 |
249 |
208 |
40 |
40 |
40 |
272 |
472 |
190 |
150 |
M6 |
5 |
5 |
40 |
30 |
104 |
25 |
19 |
5 |
5 |
158 |
266 |
307 |
166 |
12 |
|
D |
2 |
190 |
125 |
180 |
140 |
18 |
313 |
246 |
50 |
45 |
45 |
336 |
557 |
230 |
165 |
M6 |
7 |
7 |
50 |
40 |
123 |
30 |
24 |
7 |
7 |
180 |
310 |
341 |
190 |
12 |
|
D |
3 |
224 |
150 |
245 |
230 |
20 |
378 |
298 |
55 |
50 |
50 |
425 |
649 |
300 |
270 |
M8 |
7 |
7 |
60 |
50 |
123 |
40 |
24 |
7 |
7 |
225 |
370 |
378 |
220 |
14 |
|
D |
5 |
224 |
150 |
245 |
230 |
20 |
378 |
298 |
55 |
50 |
50 |
435 |
664 |
300 |
270 |
M8 |
7 |
7 |
60 |
50 |
123 |
40 |
28 |
7 |
7 |
225 |
370 |
391 |
220 |
14 |
|
D |
7½ |
318 |
200 |
315 |
250 |
30 |
475 |
380 |
70 |
80 |
80 |
603 |
951 |
365 |
290 |
M10 |
10 |
10 |
70 |
60 |
239 |
50 |
32 |
8 |
8 |
347 |
435 |
461 |
250 |
18 |
|
D |
10 |
318 |
200 |
315 |
250 |
30 |
475 |
380 |
70 |
80 |
80 |
603 |
989 |
365 |
290 |
M10 |
10 |
10 |
70 |
60 |
239 |
50 |
32 |
8 |
8 |
347 |
435 |
461 |
250 |
18 |

|
(Dimansions : mm) |
||||||||||||||||||||||||||||||
|
Type |
Disco HP |
Gear HP |
C |
E |
F |
G |
H |
I |
J |
K |
L |
L1 |
M |
N |
O1 |
P |
P1 |
Q |
Q1 |
R |
S |
S1 |
U |
U1 |
V |
W |
W1 |
X |
Z |
|
|
D |
R |
¼ |
¼ |
110 |
150 |
170 |
18 |
236 |
196 |
45 |
45 |
356 393 |
504 541 |
200 |
200 |
M5 |
7 |
5 |
45 |
25 |
55 |
25 |
14 |
4 |
5 |
260 297 |
246 |
261 |
121 |
11 |
|
D |
R |
½ |
½ |
110 |
150 |
170 |
18 |
257 |
232 |
55 |
55 |
395 434 |
529 568 |
200 |
200 |
M5 |
7 |
5 |
45 |
30 |
55 |
25 |
14 |
4 |
5 |
284 323 |
259 |
280 |
149 |
11 |
|
D |
R |
1 |
1 |
120 |
170 |
200 |
19 |
293 |
271 |
55 |
55 |
464 484 |
615 635 |
230 |
240 |
M6 |
10 |
5 |
60 |
30 |
58 |
35 |
19 |
4.5 |
5 |
340 360 |
296 |
317 |
166 |
14 |
|
D |
R |
2 |
2 |
135 |
190 |
230 |
22 |
301 |
291 |
60 |
60 |
537 568 |
724 755 |
260 |
265 |
M6 |
10 |
7 |
65 |
40 |
62 |
40 |
24 |
4.5 |
7 |
370 401 |
350 |
361 |
190 |
14 |
|
D |
R |
3 |
5 |
175 |
250 |
280 |
27 |
310 |
330 |
70 |
70 |
631 676 |
840 885 |
320 |
320 |
M8 |
12 |
7 |
80 |
50 |
70 |
50 |
28 |
4.5 |
7 |
445 486 |
395 |
373 |
220 |
14 |
|
D |
R |
5 |
5 |
175 |
250 |
280 |
27 |
310 |
330 |
70 |
70 |
631 676 |
840 885 |
320 |
320 |
M8 |
12 |
7 |
80 |
50 |
70 |
50 |
28 |
4.5 |
7 |
445 486 |
395 |
373 |
220 |
14 |
|
D |
R |
7½ |
7½ |
205 |
280 |
300 |
30 |
522 |
436 |
75 |
75 |
761 808 |
1147 1194 |
360 |
350 |
M10 |
15 |
10 |
90 |
60 |
80 |
55 |
32 |
5.5 |
8 |
505 552 |
450 |
450 |
250 |
18 |
|
D |
R |
10 |
10 |
240 |
330 |
340 |
32 |
540 |
454 |
75 |
75 |
769 800 |
1155 1186 |
420 |
390 |
M10 |
18 |
10 |
100 |
60 |
80 |
65 |
32 |
6.5 |
8 |
513 544 |
475 |
475 |
250 |
18 |
机械遥控
在机器不能直接调整时,可利用机械遥控装置调整速度,其连接方法如万向接头,弹性轴或链条与链轮来连接速度控制轴与传动手轮,但控制位置应在DISCO适当距离内.DISCO两种主要的速度控制轴已予标准化以便快速交货. A. 直轴型 B. 正交齿轮型
Mechanical remote control
Where machine is inaccessible for direct adjustment , you can adjust speed by using mechanical remote control device. A mechanical connection such as universal jiont , flexible shaft , or chain and sprocket joins speed control shaft and individual handwheel , provided control is located within reasonable distaance of DISCO unit .

|
(Dimansions : mm) |
|||||
|
DISCO TYPE |
M |
N |
O |
S(h7) |
KEY |
|
D002 |
65 |
77 |
20 |
8 |
Set Screw |
|
D004 |
98 |
87 |
15 |
14 |
5*5* |
|
D007 |
115 |
102 |
15 |
14 |
5*5* |
|
D015 |
115 |
121 |
15 |
14 |
5*5* |
|
D022 |
125 |
148 |
15 |
16 |
5*5* |
|
D037 |
|||||
|
D055 |
172 |
189 |
25 |
16 |
5*5* |
|
D075 |
|||||

|
(Dimansions : mm) |
||||
|
DISCO TYPE |
L |
M |
N |
KEY 4*4* |
|
D002 |
128 |
92 |
77 |
|
|
D004 |
154 |
118 |
87 |
|
|
D007 |
171 |
135 |
102 |
|
|
D015 |
171 |
135 |
121 |
|
|
D022 |
181 |
145 |
148 |
|
|
D037 |
||||
|
D055 |
222 |
186 |
189 |
|
|
D075 |
||||
带指示器的传动手轮 : 各别手轮的造型 带速度指示器 H80 .H125 H160及H200并已予标准化为 D002 - D075.
Individual handwheel with indicator
Four types of individual handwheels with speed indicator ,H80,H125,H160 and H200 and also standardized for D002 - D075

|
(Dimansions : mm) |
||||||
|
DISCO TYPE |
HANDWELL TYPE |
A |
B |
L |
D |
R |
|
D015 |
H125 |
13 |
43 |
149 |
125 |
56.5 |
|
D022 |
H160 |
15 |
64 |
170 |
160 |
70 |
|
D037 |
||||||
|
D055 |
H200 |
16 |
85 |
196 |
200 |
90 |
|
D075 |
||||||
DIMENSIONS SUBJECT TO CHANGE WITHOUT NOTICE .